1 / 5
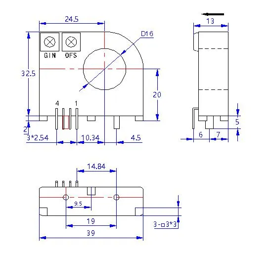
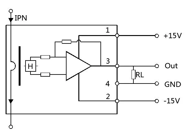
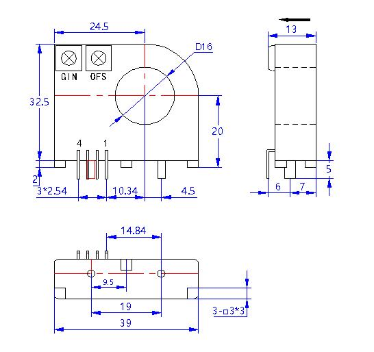
CHK_LB15D4 series Hall Effect Open Loop Current Sensor is a current measurement device based on the hall effect principle, wherein a Hall-effect device (HED) produces an output voltage linearly related to the amplitude and phase of a magnetic field applied to it.




| Parameter Ref | CHK50LB15D4 | CHK100LB15D4 | CHK150LB15D4 | CHK200LB15D4 | CHK300LB15D4 |
|---|---|---|---|---|---|
| Rated input Ipn(A) | 50 | 100 | 150 | 200 | 300 |
| Measuring range Ip(A) | 0~±150 | 0~±200 | 0~±300 | 0~±400 | 0~±450 |
| Output voltage Vo(V) | ±4.0 * (IP/IPN) | ||||
| Supply voltage VC(V) | (±12~±15) ±5% | ||||
| Response time tra(µs) | < 3.0 | ||||






All sensors are securely packed with bubble wrap and sturdy cartons: Bubble packing → 4 small cartons → 1 big carton. We offer neutral packing or OEM services with custom labeling (Screen Print or Laser Engraving).
Products are shipped via UPS, DHL, FedEx, TNT (door to door), or air/sea for large quantities.
