Domesitc and Commercial Upressurized Pressurized Solar Thermal Hybrid Hot Water Heating System Solution

Still deciding? Get samples of $ !
Request Sample

Product Description

Basic Information

Model NO.
SOLARSOLUTION
Pressure
Pressurized
Interior Material
Stainless Steel
Composition
Collector
System Type
Hybrid, Open Loop, Close Loop
Application
Commercial, Residential
Storage Tank
Pressurized, Non-Pressurized
Production Capacity
72,000 Sets Annually

Product Description

There are numerous solar water heater devices available for home and project use. Choosing the right system is essential for consumers to save time and reduce costs. With over 20 years of experience in the solar water heater industry, we offer a wide range of solar solutions tailored to meet specific needs. Whether you require commercial or domestic solar hot water or heating water supply, we provide optimized solutions for every requirement.

Key Considerations for Solar Solutions

Solar Thermal Solution
Solar Heating System
A well-designed solar solution simplifies installation and maximizes efficiency. Before selecting a system, several conditions must be evaluated:
  • Application Type: Is it for residential or commercial use? For a family of three, a 120-liter system is typically suggested, while commercial capacities can exceed 1000 liters.
  • Installation Location: Geographic location and specific site details (roof, ground, area size) determine sun insolation, latitude, and optimal collector angles.
  • Existing Infrastructure: Evaluation of power supply (voltage/HZ), water source (government pipeline or pump), and existing heating equipment (boilers, heat pumps).
  • Budget and Expectations: Balancing system types (pressurized vs. non-pressurized) and energy-saving goals to find the most economic and effective configuration.

Solution 1: Open Loop Residential System

Open Loop System
Residential Solar
This non-pressurized system is economic and simple to install, making it ideal for home use. It can be used for central heating by connecting units in series to enlarge water capacity.

Solution 2: Close Loop Residential System

Close Loop System
Pressurized Solar
A pressurized system that ensures a comfortable shower experience with higher heating efficiency. It is particularly suitable for cold areas and consists of pressurized tanks, collectors, and control workstations.

Solution 3: Open Loop Commercial System

Commercial Open Loop
Large Scale Solar
Designed for large-scale hot water demands (over 1 ton). This system uses active circulation and multi-functional controllers. It is popular for hospitals, schools, and factories due to its cost-effectiveness and space-saving design.

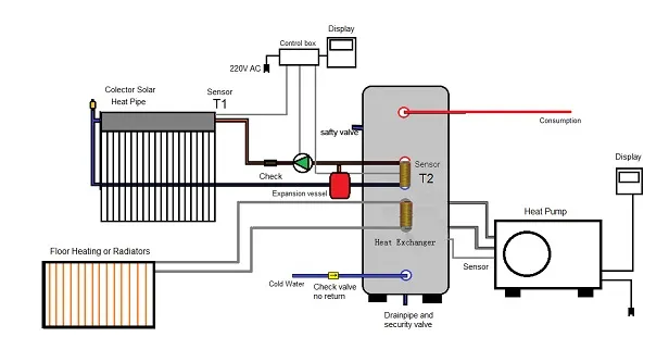
Solution 4: Close Loop Commercial System

Commercial Close Loop
Pressurized Commercial
Operates under pressurized conditions with anti-freeze fluids, making it highly efficient and easy to install. It includes expansion tanks and safety valves to maintain system balance and performance.

Solution 5: Manufacturing & DIY Solutions

DIY Solar
Solar Manufacturing
For those interested in manufacturing or DIY projects, we provide solar producing machinery and all necessary raw materials and parts to assemble customized solar water heating systems.

Frequently Asked Questions

What is the main difference between open loop and closed loop systems?
Open loop systems (non-pressurized) are generally more economical and simpler, while closed loop systems (pressurized) offer higher efficiency, better water pressure for showers, and are more suitable for cold climates.
How do I determine the right tank capacity for my home?
Capacity is usually based on the number of users. A standard recommendation is approximately 40-50 liters per person. For example, a family of three would ideally use a 120L to 150L system.
Can solar water heaters work during winter or cloudy days?
Yes, solar collectors can still absorb energy on cloudy days, though efficiency is lower. Most systems include a backup heating source (electric, gas, or heat pump) to ensure hot water supply regardless of weather.
What maintenance is required for a commercial solar system?
Regular maintenance includes checking the controller settings, inspecting valves for leaks, and ensuring the collectors are clean. Closed loop systems also require periodic checks of the anti-freeze fluid levels.
Is it possible to combine solar heating with existing boilers?
Absolutely. Solar systems are often designed as a primary energy source with existing electric, gas, or oil boilers acting as a secondary backup to maximize energy savings.
Are these systems suitable for high-rise buildings?
Yes, for high-rise buildings, split pressurized systems are typically used where the collectors are on the roof and the storage tanks are located closer to the points of use or in a dedicated equipment room.

Related Products